

拨盘、螺栓锁紧连接
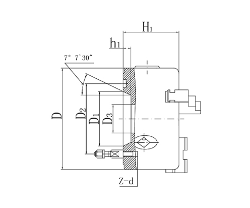
| 主轴头号 | D1 | D2 | D3 | H1 | h | h1 | h2 | d1 | z-d | 净重 kg |
| 3 | 53.975 | 75 | 45 | 67 | 13 | 10 | - | - | 3-M10 | 9 |
| 3 | 53.975 | 75 | 51 | 75 | - | 10 | - | - | 3-M10 | 15 |
| 4 | 63.513 | 85 | 56 | 75 | 13 | 10 | 6.5 | 14.7 | 3-M10 | 15 |
| 4 | 63.513 | 85 | 61 | 80 | - | 10 | 6.5 | 14.7 | 3-M10 | 23 |
| 4 | 63.513 | 85 | 61 | 90 | - | 10 | 6.5 | 14.7 | 3-M10 | 40,53 |
| 5 | 82.563 | 104.8 | 56 | 75 | 15 | 12 | 6.5 | 16.3 | 4-M10 | 15 |
| 5 | 82.563 | 104.8 | 75 | 80 | 15 | 12 | 6.5 | 16.3 | 4-M10 | 23 |
| 5 | 82.563 | 104.8 | 79 | 90 | - | 12 | 6.5 | 16.3 | 4-M10 | 40,53 |
| 5 | 82.563 | 104.8 | 79 | 95 | - | 12 | 6.5 | 16.3 | 4-M10 | 55 |
| 6 | 106.375 | 133.4 | 56 | 75 | 16 | 13 | 6.5 | 19.5 | 4-M12 | 15 |
| 6 | 106.375 | 133.4 | 75 | 80 | 16 | 13 | 6.5 | 19.5 | 4-M12 | 23 |
| 6 | 106.375 | 133.4 | 95 | 90 | 16 | 13 | 6.5 | 19.5 | 4-M12 | 40,53 |
| 6 | 106.375 | 133.4 | 95 | 95 | 16 | 13 | 6.5 | 19.5 | 4-M12 | 55 |
| 6 | 106.375 | 133.4 | 103 | 106 | - | 13 | 6.5 | 19.5 | 4-M12 | 102 |
| 8 | 139.719 | 171.4 | 75 | 80 | 18 | 14 | 8 | 24.2 | 4-M16 | 23 |
| 8 | 139.719 | 171.4 | 95 | 90 | 18 | 14 | 8 | 24.2 | 4-M16 | 40,53 |
| 8 | 139.719 | 171.4 | 125 | 95 | 18 | 14 | 8 | 24.2 | 4-M16 | 55 |
| 8 | 139.719 | 171.4 | 135 | 106 | - | 14 | 8 | 24.2 | 4-M16 | 106 |
| 8 | 139.719 | 171.4 | 135 | 128 | - | 14 | 8 | 24.2 | 4-M16 | 168 |
| 11 | 196.869 | 235 | 95 | 90 | 20 | 16 | 10 | 29.4 | 6-M20 | 40,53 |
| 11 | 196.869 | 235 | 125 | 95 | 20 | 16 | 10 | 29.4 | 6-M20 | 68 |
| 11 | 196.869 | 235 | 160 | 106 | 20 | 16 | 10 | 29.4 | 6-M20 | 102 |
| 11 | 196.869 | 235 | 180 | 128 | 20 | 16 | 10 | 29.4 | 6-M20 | 162 |
| 11 | 196.869 | 235 | 180 | 135 | 20 | 16 | 10 | 29.4 | 6-M20 | 244 |
| 11 | 196.869 | 235 | 180 | 145 | 20 | 16 | 10 | 29.4 | 6-M20 | 483 |
| 11 | 196.869 | 235 | 180 | 160 | 20 | 16 | 10 | 29.4 | 6-M20 | 588 |
| 15 | 285.775 | 330.2 | 160 | 106 | 21 | 17 | 10 | 35.7 | 6-M24 | 102 |
| 15 | 285.775 | 330.2 | 180 | 128 | 21 | 17 | 10 | 35.7 | 6-M24 | 171 |
| 15 | 285.775 | 330.2 | 180 | 135 | 21 | 17 | 10 | 35.7 | 6-M24 | 263 |
| 15 | 285.775 | 330.2 | 280 | 145 | 21 | 17 | 10 | 35.7 | 6-M24 | 425 |
| 15 | 285.775 | 330.2 | 280 | 160 | 21 | 17 | 10 | 35.7 | 6-M24 | 597 |
| 15 | 285.775 | 330.2 | 280 | 155 | 21 | 17 | 10 | 35.7 | 6-M24 | 1165 |
| 15 | 285.775 | 330.2 | 280 | 175 | 21 | 17 | 10 | 35.7 | 6-M24 | 1650 |