

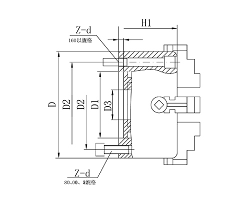
| 规格D | D1 | D2 | D3 | H1 | h | z-d | |
| 80 | 62 | 72 | 25 | 40 | 5 | 1/4-20 | 4 |
| 100 | 79.4 | 54 | 25 | 40 | 2.5 | 1/4-20 | 4 |
| 125 | 70 | 54 | 26 | 43 | 2.5 | 5/16-18 | 4 |
| 160 | 82.5 | 69.8 | 42 | 43 | 2.5 | 3/8-16 | 4 |
| 200 | 110 | 82.6 | 50 | 80 | 5 | 7/16-14 | 4 |
| 250 | 150 | 104.8 | 65 | 85 | 7 | 1/2-13 | 4 |
| 315 | 175 | 133.4 | 80 | 95 | 7 | 5/8-11 | 4 |
| 400 | 200 | 17.4 | 100 | 105 | 10 | 5/8-11 | 4 |
| 500 | 270 | 235 | 125 | 120 | 12 | 3/4-10 | 4 |
| 630 | 270 | 235 | 160 | 140 | 12 | 3/4-10 | 4 |
| 800 | 380 | 330.2 | 200 | 160 | 12 | 7/8-9 | 4 |
| 900 | 370 | 330 | 190 | 170 | 18 | 1-8 | 8 |